EEVengers
Test Equipment
FPGA Boards

ThunderScope

A new type of oscilloscope that’s fast, flexible, and completely open

$444,285 raised

of $46,000 goal

965% Funded! Order Below

Available for pre-order.

$950 - $1,150

View Purchasing Options

Recent Updates

You'll be notified about news and stock updates for this project.

Powerful Software, Uncompromising Hardware

ThunderScope packs the power of expensive, bulky high-end oscilloscopes into a portable and affordable package. While traditional scopes are limited by their built-in processing capabilities and cramped user interfaces, ThunderScope is designed to stream the complete 1 GS/s of sample data in real time to your computer for processing and analysis. ThunderScope’s fast connections (via Thunderbolt, USB 4, and PCI Express) and unique software-defined architecture allows it to be used for everything from simple measurements to complex protocol analysis.

ThunderScope is a re-imagining of how test equipment is designed and used. The hardware focuses on the most important aspect of an oscilloscope - the analog frontend. Traditional scopes have to split their budget between the analog frontend and support components such as a small screen, underpowered microprocessor, and large chassis. ThunderScope takes a different approach: A no-compromises analog frontend that connects to your computer over the fastest available interfaces. Unlike any other scope that handles processing on device, this change in approach allows ThunderScope to use your computer to its fullest potential. This makes ThunderScope the only scope that will get better every time you upgrade your computer.

Out of the Box Experience

ThunderScope is easy to use. Just connect it to your computer, open up ngscopeclient, and start taking measurements.

Picture of TS connected to a laptop running ngscopeclient and making measurements

Unlike traditional oscilloscopes, ThunderScope isn’t constrained by limited sample memory. It can capture events across a wide range of timescales, from human-scale events to nanosecond-level details. For example, you can capture and decode a USB MIDI transaction and monitor the audio waveforms coming out of your synth:

Since you have complete control over the hardware, you can disable the anti-aliasing filter on a channel and benefit from the huge front end bandwidth by using it as a software defined radio! Here, a 434 MHz radio signal is captured through direct digital down conversion, while simultaneously probing and decoding the SPI bus connected to the radio transceiver:

ThunderScope’s analog frontend meets the highest standards for noise performance. After years of iteration, we’ve developed a frontend that ranks among the best in its bandwidth class.

screenshot of ngscopeclient showing input noise on most sensitive range, 50Ω Mode

Future Expansion Options

ThunderScope integrates seamlessly with the rest of your test setup. Sampling can be synchronized to a standard 10 MHz external reference clock, or an arbitrary frequency provided by your device under test. Alternatively, an internally generated reference clock can be output via the same BNC jack to synchronize your other test equipment to ThunderScope, or an arbitrary frequency clock can be provided to the device under test. The FPGA that handles data acquisition and transfer is accessible via an input/output connector, which can be used as an external trigger input or for functions defined by the end user when using a custom bitstream.

If you need more than four channels, we are also working on a feature where you can pair multiple ThunderScopes using the clock and sync connections to simultaneously measure as many channels as your computer can handle.

Pairing ThunderScope
Pairing ThunderScope PCIe
Picture of two ThunderScope PCIe cards synchronized together

Fast and Flexible Software

ngscopeclient

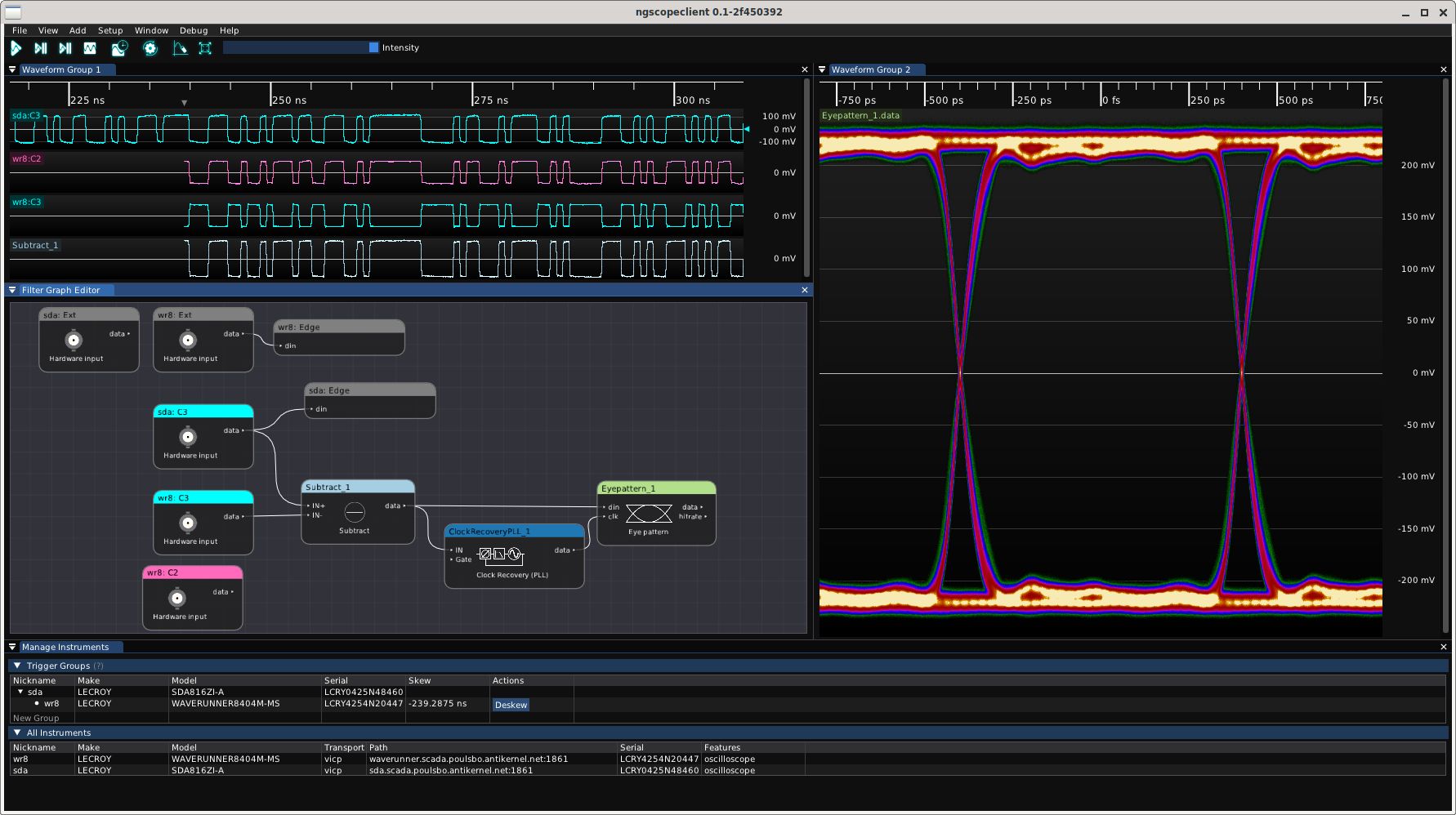
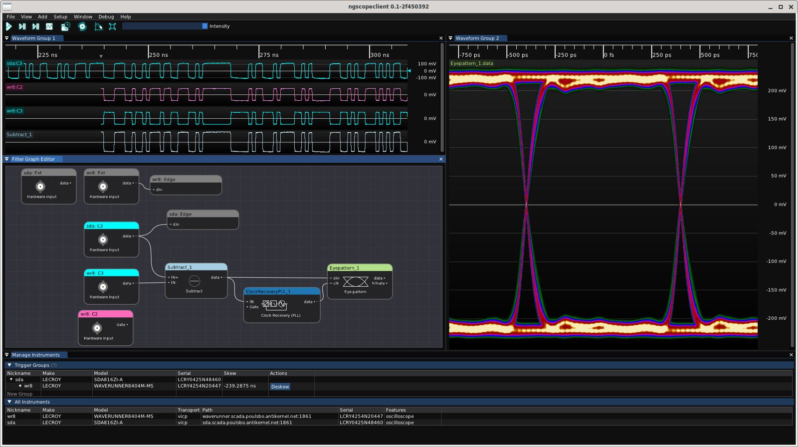
ngscopeclient is a powerful, open-source client for test equipment, offering advanced features beyond typical oscilloscopes. It includes a suite of filters and protocol analyzers for measuring and decoding everything from UART to Ethernet. It’s fully GPU accelerated and incredibly responsive, making everything from regular probing to deep analysis a seamless experience. It even connects to other test equipment, enabling complex tests to be done without needing multiple vendors’ software or writing test scripts.

screenshot of ngscopeclient in a multi-scope configuration
TS.NET

ngscopeclient receives data from TS.NET, our hardware control and triggering software. TS.NET allows for fine grain control over the hardware and contains our library of highly efficient triggering code, which can be used to construct the exact trigger you need for your signal.

screenshot of TS.net codebase with TS.net running in a terminal

A Commitment to Open Source Excellence

ThunderScope was designed from the ground up to be a truly professional oscilloscope, a technically excellent design that can be built on and used for years to come. Just as RepRap led to Open Source becoming a leading choice in 3D Printers, we hope that ThunderScope can start a new wave of open source test equipment.

But technical excellence can only get you so far. It is the sustained efforts of the excellent open source community around this project and the projects we rely on that have made ThunderScope possible.

With the launch of ThunderScope we are committing half of all profit made (in perpetuity!) to sustaining that excellent community by funding the projects and contributors that have gotten us here, as well as new projects focusing on open test equipment and tooling.

Key Features

Hardware Features
Software Features

Specifications & Comparison

ThunderScopePicoscope 5444DNI PIXe-5110Siglent SDS1204X HDKeysight DSOX1204A
Channels4 4 2 4 4
Analog Bandwidth500 MHz¹ 200 MHz 100 MHz 200 MHz 200 MHz
Input Impedance50 Ω,1 MΩ 1 MΩ 50 Ω, 1 MΩ 50Ω, 1 MΩ 1MΩ
Full Scale Input Voltage Range8 mVpp to 40 Vpp (1 MΩ), 40 mVpp to 4 Vpp (50 Ω) 20mVpp to 40 Vpp 40 mVpp to 40 Vpp (1 MΩ), 40 mVpp to 10 Vpp (50 Ω) 4 mVpp to 80 Vpp (1 MΩ), 4 mVpp to 8 Vpp (50 Ω) 8 mVpp to 80 Vpp
Max. Sample Rate1 GS/s (8 Bit), 500 MS/s (12 Bit) ² 1 GS/s (8 Bit), 500 MS/s (12 Bit) 1 GS/s (8 Bit) 2 GS/s (12 Bit) 2 GS/s (8 Bit)
Noise @ Full Bandwidth (Most Sensitive Range)80 μVrms (8 Bit) ¹, TBD μVrms (12 Bit) ² 120 μVrms (8 Bit), 110 μVrms (12 Bit) 120 uVrms 70 μVrms Not Specified
Memory Depth1 Gpts / Channel (Current Software Limit) 128 Mpts / Channel (Hardware Limited) 32 Mpts / Channel (Hardware Limited) 25 Mpts / Channel (Hardware Limited) 1 Mpts / Channel (Hardware Limited)
Trigger TypesEdge (More planned for the first major software release) Edge, Window, Pulse Width, Window Pulse Width, Dropout, Window Dropout, Interval, Runt, Logic Edge, Glitch, Hysteresis, Runt, Width, Window, Digital, Immediate, Software Edge, Slope, Pulse Width, Video, Window, Interval, Dropout, Runt, Pattern, Qualifed, Delay, Setup/Hold, Serial Edge, Pattern/State, Pulse Width, Setup/Hold, Rise/Fall Time, Video, Serial
User Expandable Trigger TypesYes No Yes No No
Protocol Decodes128 b / 130 b, 64 b / 66 b, 8 b / 10 b, 1-Wire, CAN, DP-AUX, DVI, 10 Base-T, 100 Base-T1, 100 Base-TX, GMII, RGMII, RMII, HDMI, I2C, Intel eSPI, JTAG, MDIO, MIL-STD-1553, MIPI D-Phy, MIPI DSI, Parallel, QSPI, SDQ, SPI, SWD, UART, USB 1.0/2.x 1-Wire, ARINC 429, CAN, CAN FD, CAN J1939, DALI, DCC, DMX512, 10 Base-T, 100 Base-TX, FlexRay, I²C, I²S, LIN, Manchester, MODBUS, PS/2, SENT, SPI, UART, USB 1.1 Unable to find this listed in NI docs I2C, SPI, UART, CAN, LIN, CAN FD, FlexRay I2C, UART, SPI, CAN, LIN
User Expandable Protocol DecodesYes Not in Picoscope software, only through PicoSDK Yes, through Instrument Studio Plug-Ins No No
Math and MeasurementsNo fixed limit on number of measurements or math channels No fixed limit on number of measurements or math channels No fixed limit on number of measurements or math channels Max 12 measurements and 4 math channels Max 4 measurements and 1 math channel
User Expandable Math and MeasurementsYes Not in Picoscope software, only through PicoSDK, Yes, through Instrument Studio Plug-Ins No No
Host InterfacePCIe Gen 2 x 4 (direct or via TBT/USB4) USB 3 Gen 1 (USB B connector) PCIe Gen 1 x 4 USB 2.0 (USB B Connector) 10/100 MbaseT USB 2.0 (B Connector) 1 GbE
Streaming Bandwidth to Host1 GB/s 125 MB/s Not Specified Not Specified Not Specified
Host PoweredYes, no additional cables required No, requires AC adaptor for 4 channel operation Yes, via PXIe Chassis No, requires AC input No, requires AC input
Supported Host Operating SystemsLinux, Windows, Mac ³ Linux, Windows, Mac Windows Windows (SigScopeLab) Windows (BenchVue)
Standalone OperationNo No No Yes Yes
Size145 x 103 x 31 mm (TS), 132 x 120 x 20 mm (TS PCIe) 190 x 170 x 40 mm 216 x 130 x 20 mm 317 x 236 x 149 mm 314 x 165 x 130 mm
Weight360 g (TS), 150 g (TS PCIe) 500 g 380 g 4.1 kg 3.23 kg
Included AccessoriesCustom Hard Case, 40 Gbps USB-C Cable (TS), Custom PCIe Bracket (TS PCIe) USB 3 B Cable, 4x Probes None USB B Cable, 4x Probes, AC Power Cord 4x Probes, AC Power Cord
Open Source?Yes, everything from volts to bits No NI-ope Hackable != Open Absolutely Not
Price$1,150 (TS), $950 (TS PCIe) $3,265 $1,907 + Yearly Measurement Studio License for Scope UI $1,699 $2,270

¹ This specification is a current measured value with margin applied, it is subject to improvement by production.
² The hardware for 12-bit mode is present in the design, however gateware and software for it is not implemented at time of writing
³ Currently in development

What’s in the box?

ThunderScope
ThunderScope PCIe
Developer Edition

Developer edition units are a limited run of early bird units, which will feature a larger Artix-7 50T FPGA and 256 MB of DDR3. We’re doing this so these units can run our stable XDMA gateware while we transition to our new LiteX gateware, which takes less FPGA resources and does not require DDR3.

Note: Probes are sold separately so those who already have them can buy just the ThunderScope model they want, while those who need them or want more can add probes to their order to arrive with their ThunderScope.

Resources & Documentation

ThunderScope is the culmination of various projects with many different authors and repos, unified by the common goal of making excellent open source test equipment.

Additional Information
Community

Manufacturing Plan

Timeline

As the campaign comes to a close, we will order the first ThunderScope Developer edition boards, aluminum enclosures, cases, and probes. These should arrive at EEVengers HQ in Kitchener, Ontario, Canada by the end of 2024. We will carry out calibration, testing, and packing in house before sending units to Mouser for distribution.

Regular updates on manufacturing progress will be provided throughout the campaign. We’ll share photos, timeline updates, and manufacturing progress as we move through all the steps.

Fulfillment & Logistics

Once all units are tested and packed by us at EEVengers HQ in Kitchener, Ontario, Canada, we’ll send them on to Crowd Supply’s logistics partner, Mouser Electronics. Mouser will handle fulfillment and shipping of all campaign orders.

For more information, see Crowd Supply’s ordering, paying, and shipping guide. You can confirm your order, update your shipping address, and more on your Crowd Supply account page.

Risks & Challenges

The ThunderScope hardware design has been in development for 3 years in its current form, with another 3 years of research and experimentation before that. We have a dozen beta testers with the latest hardware and have not run into any major issues over the last two months.

The changes between the latest hardware (Beta 2) and production hardware schematics are relatively minor. The layout will change more significantly to bring the FPGA module onto the main board, however nothing about the module will change electrically, so the risk is only in the edges of the module layout that need to change to interface with the now combined mainboard. We will mitigate this risk by running a smaller gamma run first before committing to full production, this gamma run will become developer edition units and be shipped out ASAP once they pass all our internal testing.

Coordinating sourcing, manufacturing, and distribution is difficult in the best of times and this project is not immune to the inherent risks involved.

We have secured enough critical components to manufacture 50 units immediately. Additional components, such as the probes, enclosures and cases, will be ordered after the campaign ends. Because some components will be sourced from outside of Canada, there is always the risk of shipping delays and customs issues.

Since ThunderScope is a high-speed device, there are some additional challenges involved with manufacturing and certification. Special attention must be given to the PCB fabrication and assembly. We’ll be working with Multech, a manufacturer with the experience and capabilities required to fab consistent, high-quality PCBs. FCC and CE certifications are a major milestone and we plan to do as much in house testing as possible before sending it to Nemko Canada for compliance testing. In the unlikely event that ThunderScope fails certification, it could delay the shipping date by 4-6 weeks as we revise and submit for additional testing.

We commit to immediate communication with backers regarding any timeline changes or challenges encountered.

ThunderScope is part of AMD FPGA Playground

Key Components

Artix™ 7 XC7A35T-2CSG325C · FPGA
maximum throughput data transfer

In the Press

Hackster News

"Up to 350 MHz analog bandwidth with 1 GaSa/s sample rate streamed to a PC at 1 Gb/s."

industriaembebidahoy

"Pensado para ser potente y portable, el osciloscopio definido por software ThunderScope se utiliza en conjunción con un ordenador portátil, que lo dota de toda su potencia de almacenamiento y proceso."

Geeky Gadgets

"ThunderScope is the first oscilloscope designed for Thunderbolt, enabling real time sample data to be streamed to your computer at speeds exceeding 1 GB/s. "


Ask a Question

Produced by EEVengers in Kitchener, Ontario, Canada.

Sold and shipped by Crowd Supply.

ThunderScope

A calibrated ThunderScope in an aluminum enclosure. Comes with a custom Pelican case and 40 Gbps rated USB-C Cable.

$1,150 Free Worldwide Shipping

ThunderScope PCIe

A calibrated ThunderScope PCIe card, with included custom PCIe bracket.

$950 Free Worldwide Shipping

ThunderScope Probe Set

A set of four probes that perfectly fit the capabilities of your ThunderScope. (1x 350 MHz probe, 1x 250 MHz probe, 2x 150 MHz probes)

$150 Free Worldwide Shipping

About the Team

EEVengers

 · 

We’re an open source hardware company that’s creating a new wave of test equipment!

Aleksa Bjelogrlic
 AleksaBjelogrlic

See Also

Subscribe to the Crowd Supply newsletter, highlighting the latest creators and projects